上海自動化儀表三廠的裝配式熱電偶安裝固定方式可分為:無固定式安裝,固定螺紋式安裝,活動法蘭式安裝,固定法蘭式安裝,活動法蘭直角式安裝和固定螺紋錐形保護管安裝六種。
◆裝配式熱電偶防無固定式安裝圖片及尺寸,型號代碼(1)

◆裝配式熱電偶固定螺紋式安裝圖片及尺寸,螺紋M27*2,型號代碼(2)

◆裝配式熱電偶活動法蘭式安裝圖片及尺寸,型號代碼(3)


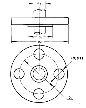
◆裝配式熱電偶固定法蘭式安裝圖片及尺寸,D0=90 D1=65 D2=45,型號代碼(4)


◆裝配式熱電偶活動法蘭直角式安裝圖片及尺寸,型號代碼(5)


◆裝配式熱電偶固定螺紋錐形保護管安裝圖片及尺寸,螺紋M27*2,型號代碼(6)



客服1